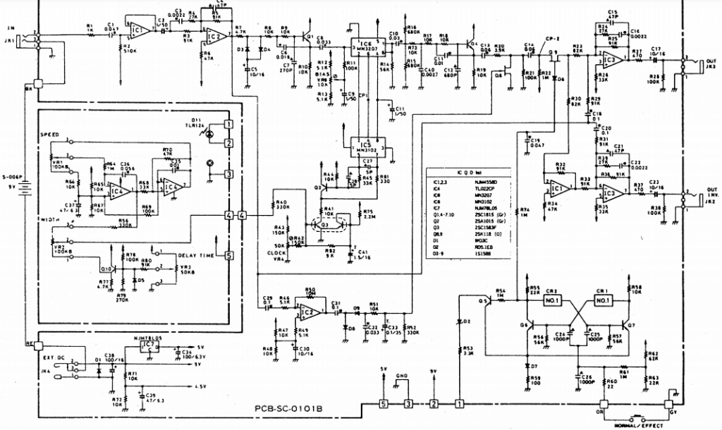
Has 18V power but no FX sound, but signal passes to output.
Duh! The mono out is clean sig only!! The stereo out is clean + FX! Not stereo FX..hence seemingly no FX when in mono out...
This has 2 clock chips (MN3101/3007) for Bucket Brigade Devices.

Not the right circuit, but close?

